邮箱:sh-zz@sh-zz.com.cn

润滑设备类
 稀油类
 * 稀油站
 * 稀油润滑元器件
 干油类
 * 电动润滑泵
 * 手、脚动润滑泵
 * 手、电动加油泵
 * 给油器、分配器
 * 干油通用部件
 * 干油操纵控制阀
液压产品
附件
高压油泵类
CY14-1B斜盘式轴向柱塞泵
CY-Y系列油泵电机组
 BCY14-1D内控型柱塞泵
 
  
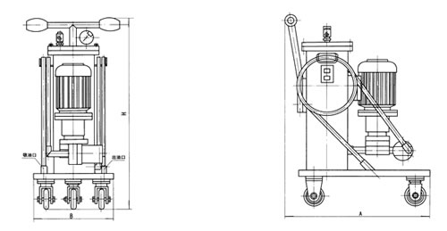
LUC型精细滤油车
一、概述:
随着液压工业的飞速发展,对液压系统工作的可先靠性提出了更高的要求目前,液压系统中的故障有70%左右是由于油液的污染造成的,为了控制液压系统的污染程度,除了在液压系统中安装滤油器外。对于注入系统内的新油需用滤油车进行预过滤。同时也可用滤油车对液压系统进行循环过滤,净化系统油液。
该精细油车最大特点是滤油精度高,性能可靠,结构紧凑,外形美观移动灵活,使用维修方便滤油精度有3、5、10、20、30、40微米。用户可根据需要自由选择。只要调换不同精度滤芯就可达到使用要求。
精细滤油车可为液压系统、静压系统、润滑系统与各类用油系统的油液作灌注或定期过滤。对脏油回收也具有一定的经济效果。是理想的节能设备。
精细滤油车仅滤除油液中杂质。对油液的各项指标无影响。

三、型号说明
四、技术规格与外形尺寸
型 号
流量
(l/min)
压力损失
(MPa)
粗滤精度
(um)
精滤精度
(um)
电机功率
(kW)
电压
(V)
重量
(Kg)
尺 寸
H
A
B
DYUC-16×※
16
≤0.02
100
3、5
0.37
380
60
920
470
350
DYUC-40×※
40
10、20
0.75
90
930
560
400
DYUC-63×※
63
30、40
1.1
100
960
560
400
DYUC-100×※
100
1.5
110
960
560
400
五、用户自配附件与勿损件
滤油车型号
粗滤芯型号
精滤芯型号
输送胶管
骨架式油封
DYUC-16×※
WU-63×100-J
CZX-16×※
19
20×40×10
DYUC-40×※
CZX-40×※
25
20×45×10
DYUC-63×※
CZX-63×※
25
25×45×10
DYUC-100×※
WU-100×100-J
CZX-100×※
32
30×50×10
注:1、※-过滤精度
2、骨架式油封系油泵轴封
六、使用与保养
1、滤油车启动时不能使油泵反转,当确认转向后,才能正常工作。
2、为了精滤芯能正常工作,应及时打开排气阀,将滤筒中空气排净。
3、滤油车使用一段时间后,因粗滤芯堵塞造成油泵噪音增加,应及时清洗粗滤芯。
4、精滤芯使用一段时间后,因污染物堵塞引起压力高达0.4 Mpa时,应及时清洗或更换。
5、如果滤油车抽不出油,应检查油泵转向是否正确,油箱至油泵吸口密封是否可靠,吸油口虽否离开油面或油液已吸完。
6、当发现滤油车流量减少时,应检查粗、精滤芯是否堵塞严重。油泵轴封是否磨损或因反转而造成吹出,吸入空气。
技术支持:HUOSU

© 上海中重流体控制设备有限公司版权所有 2006