邮箱:sh-zz@sh-zz.com.cn

润滑设备类
 稀油类
 * 稀油站
 * 稀油润滑元器件
 干油类
 * 电动润滑泵
 * 手、脚动润滑泵
 * 手、电动加油泵
 * 给油器、分配器
 * 干油通用部件
 * 干油操纵控制阀
液压产品
附件
高压油泵类
CY14-1B斜盘式轴向柱塞泵
CY-Y系列油泵电机组
 BCY14-1D内控型柱塞泵
 
  
SDRB-N系列双列式电动润滑脂泵(31.5MPa)
一、使用条件
双列式电动润滑脂泵是由电动润滑脂泵、换向阀、管路附件等组成。在同一底座上安装有两台电动润滑脂泵,一台常用、一台备用,双泵可以自动切换,通过换向阀接通运转着的泵的回路,不影响系统的正常工作,润滑脂泵的运转由电控系统来操纵,二台泵也可以同时工作。它具有压力高、流量大、远距离输脂,安全可靠等特点。

二、技术参数

型 号
公称流量mL/min
公称压力MPa
贮油器容积L
配管方式
电机功率kW
润滑脂锥入度(25℃,150g)1/10mm
重 量kg
SDRB-N60H
60
31.5
20
环式
0.37
265-385
405
SDRB-N195H
195
35
0.75
512
SDRB-N585H
585
90
1.5
975


三、型号说明
      
四、系统原理图
五、外形尺寸
型号
A
A1
B
B1
B1
B2
H1
SDRB-N60H
1050
351
1100
1054
296
1036
598max
155min
SDRB-N195H
1230
503.5
1150
1104
310
1083
670max
170min

六、结构形式

   
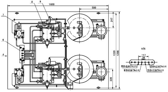
图4 SDRB-N585H 双列式电动润滑润滑泵外形图
1 - 压力表;2 - 压力表;3 - 贮油器;4 - 电动机;5 - 电动润滑脂泵
6 - 液压换向阀;7 - 电磁换向阀;8 - 液压换向阀;9 - 限位开关
七、使用说明
本产品应安装在室内、灰尘少、振动小的干燥场所,用地脚螺栓固定在基础上。其周围应留有操作空间。安装位置应便于补给润滑脂、调试、检查、拆卸和维修等都方便的场合。
使用前须向柱塞泵的减速机腔注入润滑油(推荐工业齿轮油N220),达到油位计红线的位置。一般新润滑泵工作200小时后应更换润滑油,以后每隔2000小时定期更换新油,并要经常检查油质情况,若发现油质劣化,则应缩短更换周期。
向贮油器内充填润滑脂,必须使用加油泵从润滑脂补给口加入。使用的润滑脂应清洁,不允许有杂质、污物、灰尘、气泡等存在。
电动润滑泵的回转方向与箭头指示方向一致。在电动机接线时,应注意这一点。
溢流阀的标准调定压力为42MPa。
技术支持:HUOSU

© 上海中重流体控制设备有限公司版权所有 2006